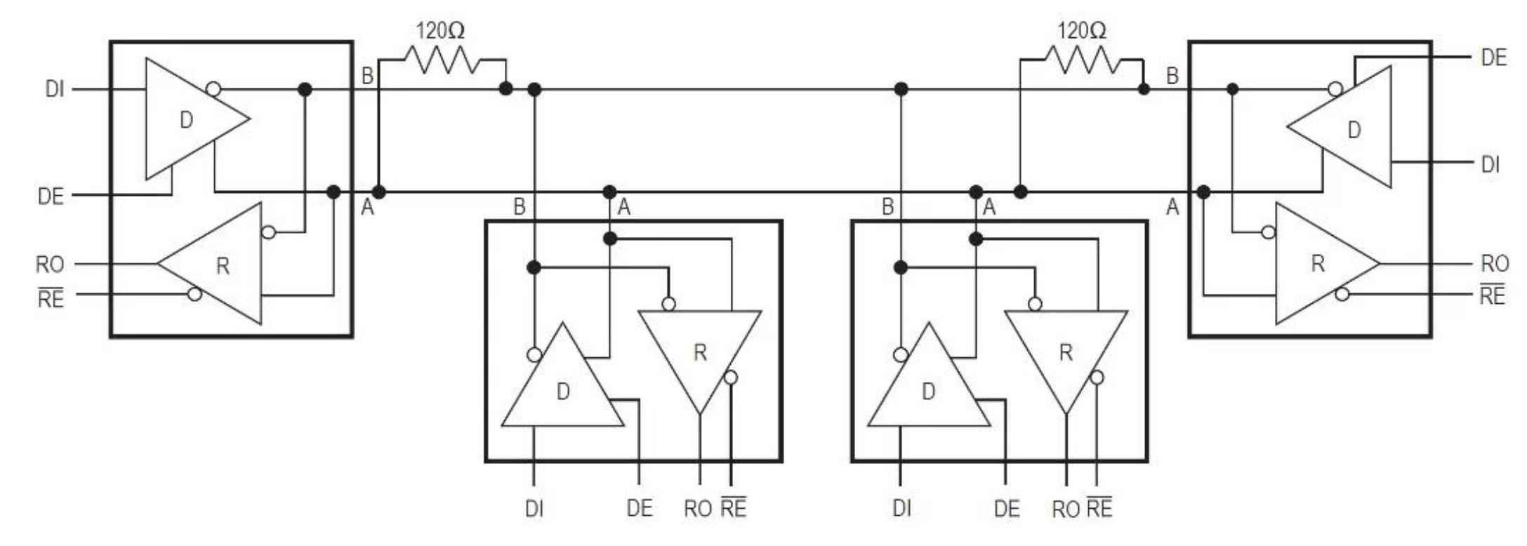
HXT22000B35是一款半双工的RS-485收发器,该产品使用限摆率驱动器 ,能显著减小EMI和由于不恰当的终端匹配电缆所引起的反射,并可实现高达500Kbps的无差错数据传输。该产品内置失效保护电路,保证接收器输入端在开路或短路时,接收器的输出端处于逻辑高电平状态。接收器输入阻抗为1/8单位负载,允许多达256个收发器挂接在总线上,实现半双工通信。
● 工作电压:支持3.3V和5.0V供电
● 最大传输速率:500kbps
● 总线可挂接多达256个收发器
● A/B引脚具有
±15kV HBM,ESDA-JEDEC JS-001-2017
±15kV 接触放电,IEC 61000-4-2
● 封装形式:SOP8
● 仪器仪表
● 电力终端
