芯科技,心服务
全国咨询热线:010-82433257
BL8310

BL8310低压直流马达驱动芯片

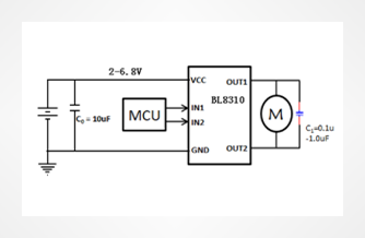
BL8310是专门为低电压工作系统而设计的低压直流马达驱动芯片。集成了4个低电阻MOS和正转,反转,刹车和停止功能。BL8310内置过温保护功能,当芯片温度超过内部温度保护电路设置的最高温度点后,内部电路关断内置的功率开关管,切断负载电流。

产品介绍

产品简介

 BL8310是专门为低电压工作系统而设计的低压直流马达驱动芯片。集成了4个低电阻MOS和正转,反转,刹车和停止功能。BL8310内置过温保护功能,当芯片温度超过内部温度保护电路设置的最高温度点后,内部电路关断内置的功率开关管,切断负载电流。

主要性能

  • 工作电压范围:2.0-6.8V

  • 低工作电流 (Typ. 70μA)

  • 低待机电流 (Typ. 0.1μA)

  • 持续工作电流 1.0A

  • 集成迟滞效应的热保护功能

  • 封装 DFN8(2x2),SOP8

资料下载

 BL8310低压直流马达驱动芯片 产品手册


在线客服
联系方式

热线电话

18211123301

上班时间

周一到周五

公司电话

010-82433257

二维码
线
http://w1011.ttkefu.com/k/linkurl?t=6J9EFD0
888集团
网站地图