芯科技,心服务
全国咨询热线:010-82433257
当前位置:首页 > 产品中心 > 射频芯片 > 混频器 >
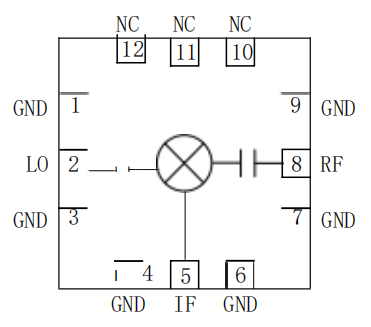
XL331SP3B 通用型无源混频器功能框图

XL331SP3B 通用型无源混频器

XL331SP3B是一款通用型无源混频器,采用GaAs工艺制造。该器件为无源器件,无需偏置、外部元件或匹配电路。可用作频率1.5GHz至4.5GHz的上变频器 或下变频器。

产品介绍

产品简介

XL331SP3B是一款通用型无源混频器,采用GaAs工艺制造。该器件为无源器件,无需偏置、外部元件或匹配电路。可用作频率1.5GHz至4.5GHz的上变频器 或下变频器。

性能特点

● 变频损耗: 7.5dB

● LO至RF隔离: 56dB

● LO至IF隔离: 37dB

● 无源双平衡拓扑结构

● 宽IF带宽: DC~1.5GHz

● 封装尺寸: 3*3 QFN-12L

典型应用

● 点对点通讯

● 无线电

● 基站

功能框图

 HXTM331SP3B功能框图

电性能表(TA=+25℃, IF=100MHz ,LO=13dBm ,USB)

参数名称

描述

最小值

典型值

最大值

单位

射频频率

RF、L0端口

1.5~4.5

GHz

中频频率

IF端口

DC~1.5

GHz

本振功率范围

 

11 

13 

15 

dBm

下变频

变频损耗

 

 

7.5 

 

dB

输入1dB压缩点

 

 

12 

 

dBm

输入IP3

 

 

21 

 

dBm

隔离度

L0到RF端口

 

56 

 

dB

L0到IF端口

 

37 

 

dB

RF到IF端口

 

19 

 

dB

上变频

变频损耗

 

 

7.5 

 

dB

输入1dB压缩点

 

 

11 

 

dBm

输入IP3

 

 

15 

 

dBm


资料下载

XL331SP3B 通用型无源混频器

888集团混频器产品推荐


型号

描述

频段(GHz)

损耗(dB)

LO-RF
(dB)

LO-IF
(dB)

IF带宽
(GHz)

输入IP2
(dBm)

输入IP3
(dBm)

工作温度
(℃)

封装

兼容

HXTM0885SP3B
点击了解详情

双平衡混频器

2.5~8

8.5

48

25

DC-3

45

25

-40~85

3×3
QFN-12L

HMC218B
HMC219B
HMC557LC4

HXTM0886SP4
点击了解详情

双平衡混频器

2.5~8

8.5

45

30

DC-3

43

23

-40~85

4×4
QFN-24L

HMC218B
HMC219B
HMC557LC4
(PIN to PIN)

XL2185SP3B
点击了解详情

双平衡混频器

9~16
16~21

8.5

40

33

DC-8

48
55

24
27

-40~85

3×3
QFN-12L

HMC554LC3B
(PIN to PIN)

XL273SP3B
点击了解详情

双平衡混频器

0.5~2.0

8

55

44

DC~1.0

60

19

-40~85

3×3
QFN-12L

XL331SP3B
点击了解详情

无源混频器

1.5~4.5

7.5

56

37

DC~1.5

15

-40~85

3×3
QFN-12L



在线客服
联系方式

热线电话

18211123301

上班时间

周一到周五

公司电话

010-82433257

二维码
线
http://w1011.ttkefu.com/k/linkurl?t=6J9EFD0
888集团
网站地图