芯科技,心服务
全国咨询热线:010-82433257
当前位置:首页 > 产品中心 > 模拟器件 > LDO/OPA >
XL1964  LDO
XL1964  LDO
XL1964  LDO

XL1964 LDO

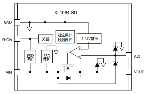
XL1964是一款微功耗、低噪声、低压差的负电压稳压器。可在185mV 典型压差下提供 200mA 输出电流 。 正常工作时静态电流典型值为45μA,关断模式下典型值为2.6μA,这使得 XL1964 成为电池供电应用的理想选择。

产品介绍

产品概述

XL1964是一款微功耗、低噪声、低压差的负电压稳压器。可在185mV 典型压差下提供 200mA 输出电流 。正常工作时静态电流典型值为45μA,关断模式下典型值为2.6μA,这使得 XL1964 成为电池供电应用的理想选择。

XL1964具有低输出噪声特性 。通过增加一个外部0.01μF的旁路电容,其输出噪声在10Hz至100kHz带宽范围内可降低至21μVrms。XL1964能够在小型陶瓷电容条件下工作,并且在输出电容低至4.7μF时仍能保持稳定。

XL1964的内部保护电路包括电流限制和热限制。

XL1964支持三种产品配型 ,其中XL1964-5可提供固定-5V输出电压, 而XL1964-SD和XL1964-BYP可提供基于-1.24V 基准电压的可编程输出电压。

XL1964采用 TSOT23-5型封装,其最佳工作温度范围为– 40°C~125°C。

产品特征

     低输出电压噪声:21μVrms (10Hz~100kHz)

     ●低静态电流:45μA

     ●低压差电压:185mV

     ●输出电流:200mA

     ●固定输出电压:-5V

     ●可调输出电压范围:-1.24V~-28V

     ●关断模式下静态电流:2.6μA

     ●正或负关断逻辑电路

     ●限流保护和过热保护

     ●TSOT23-5 2.9mm × 1.6mm封装

产品应用

       ●电池供电仪器       

      ●对噪声敏感仪器的低噪声稳压器  
            ●正电压稳压器的负压补充产品

架构框图



image

资料下载


XL1964 LDO产品手册.pdf


888集团LDO芯片产品推荐

型号

通道

输入电源范围

输出电压范围

输入输出最低压差

PSRR

10Hz~100kHz
积分噪声

启动时间

保护

静态电流

对标产品型号

封装

工作温度

HXT3042
点击查看详情

1

2.6V~20V

1.7V~15V

350mV

79dB@1MHz

0.8uVrms

10ms

电流和过热保护

2mA

LT3042

DFNO/MSOP10

-40~125℃

XL1963点击查看详情

1

2.1~20V

1.5/1.8/2.5/3.3

340mV

63dB@120Hz

40uVrms

NA

电流和过热、反接保护

1uA

LT1963

SOT-223//TSSOP

-40~125℃

XL1964点击查看详情1-20--1.9V-1.24V~-28V185mv
54dB@120Hz    30uVrms  NA

reverse

input voltages and

reverse output

   30uALT1964TSOT-23/DFN--40~125°C

XL3045
点击查看详情

1

1.8~20V

Adj to zero

260mV

76dB@1MHz

0.8uVrmx

10ms

Reverse-Battery and  Reverse-Current

2.2mA

LT3045

MSOP/DFN

-40~125℃



在线客服
联系方式

热线电话

18211123301

上班时间

周一到周五

公司电话

010-82433257

二维码
线
http://w1011.ttkefu.com/k/linkurl?t=6J9EFD0
888集团
网站地图