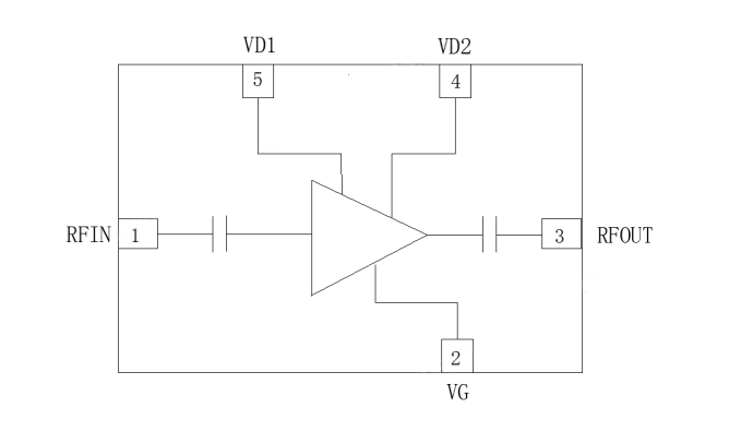
HXTP1823是一款12~18GHz 中功率放大器,采用GaAs工艺制造。该放大器输入输出端50Ω匹配负载。在135mA工作电流下,提供+23dB典型值增益,输出功率P1dB为24.5dBm。
HXTP1823是一款12~18GHz 中功率放大器,采用GaAs工艺制造。该放大器输入输出端50Ω匹配负载。在135mA工作电流下,提供+23dB典型值增益,输出功率P1dB为24.5dBm。
● 频率范围:12~18GHz
● 增益:23dB/典型值
● 输出P1dB:24.5dBm
● 输出IP3:35dBm
● 饱和输出功率:25dBm/典型值
● 芯片尺寸:1.89mm*1.3mm*0.1mm
● 微波无线电
● 仪器仪表

(TA=+25℃ VD1=VD2=5V VG=-0.8V)
参数名称 | 描述 | 最小值 | 典型值 | 最大值 | 单位 |
工作频率 | Freq | 12~18 | GHz | ||
增益 | S21 |
| 23 |
| dB |
输入回波损耗 | S14 |
| -13 |
| dB |
输出回波损耗 | S22 |
| -11 |
| dB |
反向隔离度 | S12 |
| -50 |
| dB |
输出1dB压缩点功率 | P1dB |
| 24.5 |
| dBm |
饱和输出功率 | P3dB |
| 25 |
| dBm |
输出IP3 | Pout=0dBm |
| 35 |
| dBm |
噪声系数 | NF |
| 2.5 |
| dB |
工作电流(Vd1=Vd2=5V,VG=-0.8V/Typ) | ID |
| 135 |
| mA |
偏置电压 | VD1=VD2 |
| 5 |
| V |
栅极电压* | VG |
| -0.8 |
| V |
*注:在-2.0至0V 之间调节VG, 以实现 ID=135 mA(典型值)
型号 | 描述 | 频段(GHz) | 增益 | P1dB | IP3 | 噪声 | Vs | Is | 工作温度 | 封装 |
中功率放大器 | 5-18 | 19 | 20 | 30 | 6.5 | 5 | 115 | -40~85 | 1.27 x 1.27 | |
中功率放大器 | 5-20 | 14 | 21 | 32 | 6 | 5 | 135 | -40~85 | 0.94 x 0.94 | |
中功率放大器 | 12-18 | 23 | 24.5 | 35 | 2.5 | 5 | 135 | -40~85 | 封装待定 |